ホーム > 設計計算(電気) > E-Calc 平成30年版> テレビ共同受信設備テレビ端子電圧計算書
E-Calc 平成30年版
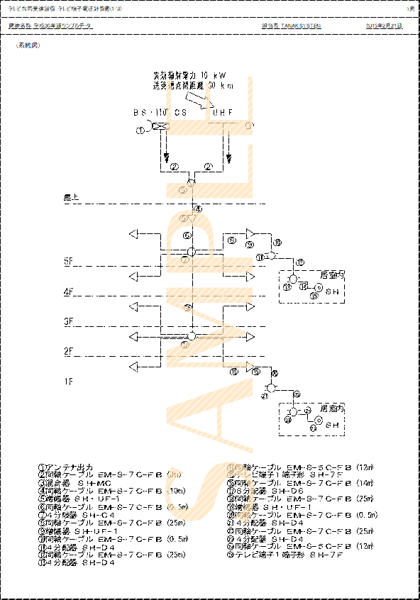
テレビ共同受信設備テレビ端子電圧計算書とは
テレビ共同受信設備におけるテレビ端子の電圧を、UHF/BS/CSの各帯域ごとに算出するプログラムです。
2Kの場合


4K8Kの場合


E-Calc 平成30年版とは
「E-Calc(イーカルク)平成30年版」は、電気設備の設計計算に特化したソフトウェアです。
詳細につきましては【E-Calc 平成30年版 製品ページ】をご覧ください。
